按照厂家监控标准,录像机中的视频文件是不能截取删除的,监控录像作为事后取证的重要证据,对数据保护方面也有严苛的要求,但是支持资料备份出来,有以下几种方式。
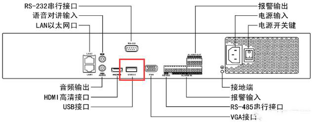
①NVR中背后都有一个USB接口,可以插入移动硬盘或U盘进行备份,某一天的或者某一时间段的录像;

②按文件、事件进行备份,现在很多NVR都是智能NVR支持事件回放,可以把某段事件发生的报警事件备份出来;
③回放时可以对录像进行编辑,加入一些视频的标签,然后备份出来;
综上所述,视频监控录像是作为事后取证的重要依据是不允许删除的,但可以通过备份方式获取自己想要的时间段或者报警事件中的录像。


